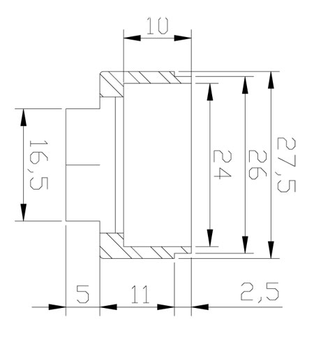
SL-03

 

Copyright@ 2018 宁波兴达卫视电子有限公司 www.xdws.com 版权所有 浙ICP备19026122号-1